Proteção eficaz contra o funcionamento a seco de bombas de água

shape
shape
shape
shape
shape
shape
shape
shape

A nova tecnologia Contrasseco oferece uma solução inovadora para proteger bombas de água contra o funcionamento a seco, prevenindo danos e prolongando a vida útil dos equipamentos. Este sensor avançado impede o arranque da bomba na ausência de água, garantindo um funcionamento seguro e eficiente.

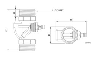
O design do Contrasseco inclui um tubo transparente que permite a visualização direta do nível de água no interior da bomba. Esta característica única facilita a monitorização do estado da bomba, assegurando que a presença ou falta de água seja rapidamente identificada.

Ideal para montagem em bombas de reforço de até 1CV (1 HP) ou em tubos paralelos, o Contrasseco é altamente recomendado para uso com um contactor auxiliar, aumentando a segurança e eficiência do sistema.

Atenção! É importante lembrar que não se devem aplicar solventes ou diluentes no sensor, pois estes produtos podem causar danos químicos ao policarbonato, material utilizado na fabricação do corpo transparente do Contrasseco.

Com esta inovação, o Contrasseco destaca-se como uma solução indispensável para quem procura fiabilidade e segurança no funcionamento de bombas de água.